內齒式氣動離合器HBS
瀏覽: 發布日期:2017年-05月-25日 17時:57分:47秒
一.內齒式氣動離合器HBS型產品概述
HBS型(內齒式)離合器是由兩枚內外齒盤在通氣時內部軸向移動來齒合連接,泄壓時由復位彈簧自動分離.二.內齒式氣動離合器HBS型產品型號
HBS-20,HBS-40,HBS-60,HBS-80,HBS-120,HBS-200,HBS-300,HBS-400

1. 由兩枚內外齒來連接,特別適合安裝在各種傳動軸部,只要有空氣壓,就不會滑落,體積小,但傳遞的扭矩且是其他同體積的數倍.
2. 內置復位彈簧,泄壓即刻徹底分離,無任何空轉負載.
3. 氣壓控制執行,鏈接或分離均可快速完成.
4. 一體化結構,安裝簡單,不用擔心同軸度.
5. 需低速或靜態連接,連接確實后可高速運轉.
6. 干式、濕式、均可使用.
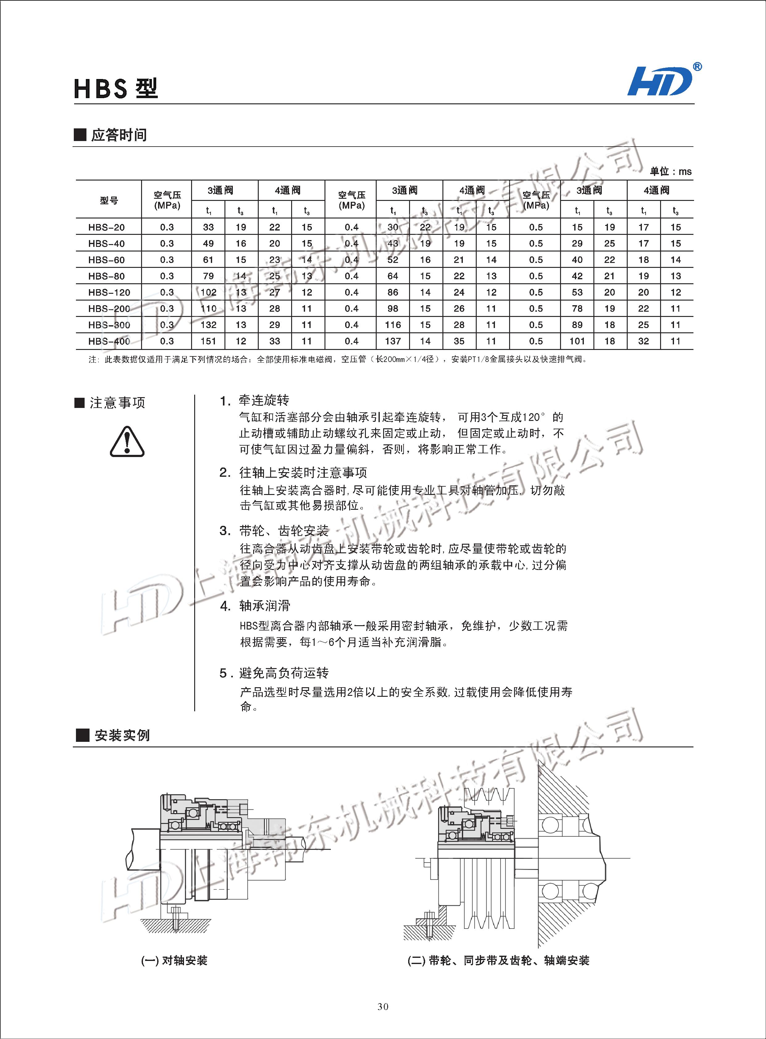
四.內齒式氣動離合器HBS型號參數


六.內齒式氣動離合器HBS型使用說明
1. 氣缸的牽連回轉
氣缸和活塞部分由于軸承的作用發生的牽連回轉,用3個45度的槽或Z-M的螺紋來固定或止動.但要止動適當,不能因外界過盈力量使氣缸偏、斜而工作不正常.
2. 往軸上安裝時注意
往軸上安裝離合器時,盡可能使用專用工具對空心軸管加壓,切勿沖擊氣缸或其他易損部位.
3. 帶輪、齒輪的軸端安裝
帶輪或齒輪的徑向受力中心盡量對齊法蘭內部兩組軸承的軸承中心,過分偏置會影響產品的使用壽命.
4. 軸承相關
一般都采用的密封軸承,免維護,少數部分需根據使用環境的關系,通常1至6個月適當補充潤滑脂來維護.
5. 避免超負荷運轉
產品選型時盡量采用轉矩1.5倍至2倍的安全系數,過載使用會造成齒面的損壞或降低使用壽命.
如有需要產品詳細參數、選型、貨期、報價等信息,歡迎聯系我們!價格優惠!電話:15201805440(微信同號)本公司產品均可定制,型號眾多,歡迎選購!
相關產品推薦:《手動制動器組合手動卡盤》《空壓通軸式剎車NAB》《空壓通軸離合器NAC型》










